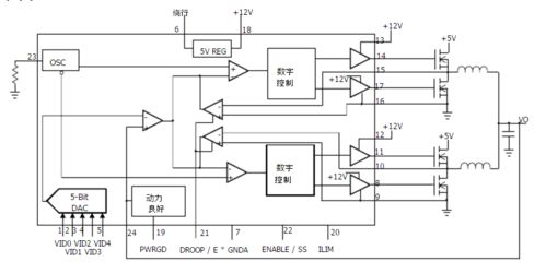
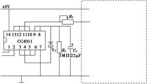
专用集成电路CMOS组合逻辑设计
电压转换的电路设计技巧与集成电路设计实践
产品大全 Product
企业信息 Information

公司名称:厦门明韬网络科技有限公司

法人代表:张日智

注册地址:厦门市思明区曾厝垵379号D30室

经营范围 Scope

所属行业:科技推广和应用服务业

更多行业:其他科技推广服务业,科技推广和应用服务业,科学研究和技术服务业

经营范围:其他未列明科技推广和应用服务业;固定电信服务;其他未列明电信业务;互联网域名注册服务;互联网信息服务(不含药品信息服务和网吧);计算机、软件及辅助设备批发;信息技术咨询服务;互联网接入及相关服务(不含网吧);其他互联网服务(不含需经许可审批的项目);软件开发;信息系统集成服务;数据处理和存储服务;集成电路设计;其他未列明信息技术服务业(不含需经许可审批的项目);动画、漫画设计、制作。

联系我们 Contact

电话:1866432**

地址:厦门市思明区曾厝垵379号D30室

邮箱:475203b**[email protected]

网址:www.v1znz.com

企业简介 Introduction
厦门明韬网络科技有限公司成立于2020年05月20日,注册地位于厦门市思明区曾厝垵379号D30室,法定代表人为张日智。经营范围包括其他未列明科技推广和应用服务业;固定电信服务;其他未列明电信业务;互联网域名注册服务;互联网信息服务(不含药品信息服务和网吧);计算机、软件及辅助设备批发;信息技术咨询服务;互联网接入及相关服务(不含网吧);其他互联网服务(不含需经许可审批的项目);软件开发;信息系统集成服务;数据处理和存储服务;集成电路设计;其他未列明信息技术服务业(不含需经许可审批的项目);动画、漫画设计、制作。